image description
image description

Model RD1800

Model RD1800 Relief Valve - 20 GPM

Find A Distributor

Standard Features:

  • Pressure Rating
  • Maximum Operating Pressure ........ 2500 psi
  • Adjustment Range ............ 1000 psi to 2500 psi
  • Flow Rating .....................................20 GPM
  • Filtration: For general purpose valves, fluid
  • cleanliness should meet the ISO 4406 19/17/14
  • level
  • Maximum Operating Temp................180°F
  • Weight .................................... Approx 2 Ibs
SPECIFICATIONS

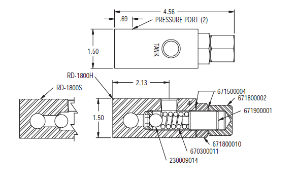
The PRINCE valve model RD-1800 is a direct acting ball/spring type pressure relief. The valve is compact and simple in design. This type relief is fast opening and is well suited for pressure spike protection. The performance curves below indicate the low cracking pressure typical to ball/spring reliefs. Please refer to the model RV relief for a system pressure relief. The valve is available with a standard steel seat, model RD-1800S, or with a hardened seat, model RD-1800H. Both models are externally adjustable.

image description